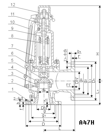
A47H帶扳手彈簧微啟式安全閥
- 銷售:021-32051999
- 銷售:021-32050777
- 傳真:021-66099555
詳情介紹
- 產品介紹
- 服務承諾
- 訂貨流程
A47H帶扳手彈簧微啟式安全閥適用于工作溫度≤350℃的蒸汽、空氣等介質的設備或管路上,作為超壓保護裝置。
應用范圍
適用于工作溫度≤350℃的蒸汽、空氣等介質
標準規范
設計制造標準:
結構長度標準:GB/T 12221-2005
連接法蘭標準:GB/T 9113
壓力溫度等級:GB/T 12224-2005
試驗檢驗標準:GB/T 13927-2008
主要零件材料
NO | 零件名稱 | 材料 |
1 | 閥體 | WCB |
2 | 閥座 | ZG2Cr13 |
3 | 調節圈 | ZG2Cr13 |
4 | 反沖盤 | ZG2Cr13 |
5 | 閥瓣 | 2Cr13 |
6 | 導向套 | 2Cr13 |
7 | 閥蓋 | ZG230-450 |
8 | 彈簧 | 50CrVA |
9 | 閥桿 | 2Cr13 |
10 | 扳手 | ZG200-400 |
11 | 調整螺桿 | 45 |
12 | 保護罩 | ZG200-400 |
密封面材料 | "H"堆焊D507,"Y"堆焊Co基硬質合金 |

主要外形尺寸
型號 | 公稱通徑 | do | D | K | g | g1 | b | f | f1 | Z-?d | DN’ | D1 | K1 | g2 | g’ | b1 | f’ | f1’ | Z1-?d1 | L | L1 | ≈H |
A47H-16C | 20 | 15 | 105 | 75 | / | 55 | 16 | 2 | / | 4-14 | 20 | 105 | 75 | 55 | / | 16 | 2 | / | 4-14 | 100 | 85 | 270 |
25 | 20 | 115 | 85 | / | 65 | 16 | 2 | / | 4-14 | 25 | 115 | 85 | 65 | / | 16 | 2 | / | 4-14 | 100 | 85 | 270 | |
32 | 25 | 140 | 100 | / | 78 | 18 | 2 | / | 4-18 | 32 | 140 | 100 | 78 | / | 18 | 2 | / | 4-18 | 115 | 100 | 312 | |
40 | 32 | 150 | 110 | / | 85 | 18 | 3 | / | 4-18 | 40 | 150 | 110 | 85 | / | 18 | 3 | / | 4-18 | 120 | 110 | 320 | |
50 | 40 | 165 | 125 | / | 100 | 20 | 3 | / | 4-18 | 50 | 165 | 125 | 100 | / | 20 | 3 | / | 4-18 | 135 | 120 | 390 | |
65 | 50 | 185 | 145 | / | 120 | 20 | 3 | / | 4-18 | 65 | 185 | 145 | 120 | / | 20 | 3 | / | 4-18 | 140 | 130 | 395 | |
80 | 65 | 200 | 160 | / | 135 | 20 | 3 | / | 8-18 | 80 | 200 | 160 | 135 | / | 20 | 3 | / | 8-18 | 160 | 135 | 400 | |
100 | 80 | 220 | 180 | / | 155 | 22 | 3 | / | 8-18 | 100 | 220 | 180 | 155 | / | 22 | 3 | / | 8-18 | 170 | 160 | 600 | |
125 | 100 | 250 | 210 | / | 185 | 22 | 3 | / | 8-18 | 125 | 250 | 210 | 185 | / | 22 | 3 | / | 8-18 | 190 | 190 | 620 | |
150 | 125 | 285 | 240 | / | 210 | 24 | 3 | / | 8-23 | 150 | 285 | 240 | 210 | / | 24 | 3 | / | 8-23 | 205 | 195 | 625 | |
200 | 150 | 340 | 295 | / | 265 | 26 | 3 | / | 12-23 | 200 | 340 | 295 | 265 | / | 26 | 3 | / | 12-23 | 240 | 230 | 798 | |
250 | 200 | 405 | 355 | / | 320 | 30 | 3 | / | 12-26 | 250 | 405 | 355 | 320 | / | 30 | 3 | / | 12-26 | 350 | 320 | 981 | |
300 | 250 | 460 | 410 | / | 375 | 30 | 4 | / | 12-26 | 300 | 460 | 410 | 375 | / | 30 | 4 | / | 12-26 | 350 | 320 | 1005 | |
A47H-25 | 20 | 15 | 105 | 75 | / | 55 | 16 | 2 | / | 4-14 | 20 | 105 | 75 | 55 | / | 16 | 2 | / | 4-14 | 100 | 85 | 270 |
25 | 20 | 115 | 85 | / | 65 | 16 | 2 | / | 4-14 | 25 | 115 | 85 | 65 | / | 16 | 2 | / | 4-14 | 100 | 85 | 270 | |
32 | 25 | 140 | 100 | / | 78 | 18 | 2 | / | 4-18 | 32 | 140 | 100 | 78 | / | 18 | 2 | / | 4-18 | 115 | 100 | 312 | |
40 | 32 | 150 | 110 | / | 85 | 18 | 3 | / | 4-18 | 40 | 150 | 110 | 85 | / | 18 | 3 | / | 4-18 | 120 | 110 | 320 | |
50 | 40 | 165 | 125 | / | 100 | 20 | 3 | / | 4-18 | 50 | 165 | 125 | 100 | / | 20 | 3 | / | 4-18 | 135 | 120 | 390 | |
65 | 50 | 185 | 145 | / | 120 | 22 | 3 | / | 8-18 | 65 | 185 | 145 | 120 | / | 20 | 3 | / | 4-18 | 140 | 130 | 395 | |
80 | 65 | 200 | 160 | / | 135 | 24 | 3 | / | 8-18 | 80 | 200 | 160 | 135 | / | 20 | 3 | / | 8-18 | 160 | 135 | 400 | |
100 | 80 | 230 | 190 | / | 160 | 24 | 3 | / | 8-23 | 100 | 220 | 180 | 155 | / | 20 | 3 | / | 8-18 | 170 | 160 | 600 | |
125 | 100 | 270 | 220 | / | 188 | 28 | 3 | / | 8-26 | 125 | 250 | 210 | 185 | / | 22 | 3 | / | 8-18 | 190 | 190 | 620 | |
150 | 125 | 300 | 250 | / | 218 | 30 | 3 | / | 8-26 | 150 | 285 | 240 | 210 | / | 24 | 3 | / | 8-23 | 205 | 195 | 625 | |
200 | 150 | 360 | 310 | / | 278 | 34 | 3 | / | 12-26 | 200 | 340 | 295 | 265 | / | 26 | 3 | / | 12-23 | 240 | 230 | 798 | |
250 | 200 | 425 | 370 | / | 332 | 36 | 3 | / | 12-30 | 250 | 405 | 355 | 320 | / | 30 | 3 | / | 12-26 | 350 | 320 | 981 | |
300 | 250 | 485 | 430 | / | 390 | 40 | 4 | / | 16-30 | 300 | 460 | 410 | 375 | / | 30 | 4 | / | 12-26 | 350 | 320 | 1005 | |
A47H-40 | 20 | 15 | 105 | 75 | 51 | 55 | 16 | 2 | 4 | 4-14 | 20 | 105 | 75 | 55 | / | 16 | 2 | / | 4-14 | 100 | 85 | 270 |
25 | 20 | 115 | 85 | 58 | 65 | 16 | 2 | 4 | 4-14 | 25 | 115 | 85 | 65 | / | 16 | 2 | / | 4-14 | 100 | 85 | 270 | |
32 | 25 | 140 | 100 | 66 | 78 | 18 | 2 | 4 | 4-18 | 32 | 140 | 100 | 78 | / | 18 | 2 | / | 4-18 | 115 | 100 | 312 | |
40 | 32 | 150 | 110 | 76 | 85 | 18 | 3 | 4 | 4-18 | 40 | 150 | 110 | 85 | / | 18 | 3 | / | 4-18 | 120 | 110 | 320 | |
50 | 40 | 165 | 125 | 88 | 100 | 20 | 3 | 4 | 4-18 | 50 | 165 | 125 | 100 | / | 20 | 3 | / | 4-18 | 135 | 120 | 390 | |
65 | 50 | 185 | 145 | 110 | 120 | 22 | 3 | 4 | 8-18 | 65 | 185 | 145 | 120 | / | 20 | 3 | / | 4-18 | 140 | 130 | 395 | |
80 | 65 | 200 | 160 | 121 | 135 | 22 | 3 | 4 | 8-18 | 80 | 200 | 160 | 135 | / | 20 | 3 | / | 8-18 | 160 | 135 | 400 | |
100 | 80 | 235 | 190 | 150 | 160 | 24 | 3 | 4.5 | 8-23 | 100 | 220 | 180 | 155 | / | 22 | 3 | / | 8-18 | 170 | 160 | 600 | |
125 | 100 | 270 | 220 | 176 | 188 | 28 | 3 | 4.5 | 8-26 | 125 | 250 | 210 | 185 | / | 22 | 3 | / | 8-18 | 190 | 190 | 620 | |
150 | 125 | 300 | 250 | 204 | 218 | 30 | 3 | 4.5 | 8-26 | 150 | 285 | 240 | 210 | / | 24 | 3 | / | 8-23 | 205 | 195 | 625 | |
200 | 150 | 375 | 320 | 260 | 282 | 38 | 3 | 4.5 | 12-30 | 200 | 340 | 295 | 265 | / | 26 | 3 | / | 12-23 | 240 | 230 | 798 | |
250 | 200 | 450 | 385 | 313 | 345 | 42 | 3 | 4.5 | 12-34 | 250 | 405 | 355 | 320 | / | 30 | 3 | / | 12-26 | 350 | 320 | 981 | |
300 | 250 | 515 | 450 | 364 | 408 | 46 | 4 | 4.5 | 16-34 | 300 | 460 | 410 | 375 | / | 30 | 4 | / | 12-26 | 350 | 320 | 1005 | |
A47H-64 A47Y-64 | 20 | 15 | 130 | 90 | 51 | 68 | 20 | 2 | 4 | 4-18 | 20 | 105 | 75 | 55 | 51 | 16 | 2 | 4 | 4-14 | 100 | 95 | 301 |
25 | 20 | 140 | 100 | 58 | 78 | 22 | 2 | 4 | 4-18 | 25 | 115 | 85 | 65 | 58 | 16 | 2 | 4 | 4-14 | 100 | 95 | 301 | |
32 | 25 | 155 | 110 | 66 | 82 | 24 | 2 | 4 | 4-23 | 32 | 140 | 100 | 78 | 66 | 18 | 2 | 4 | 4-18 | 115 | 105 | 312 | |
40 | 32 | 170 | 125 | 76 | 95 | 24 | 3 | 4 | 4-23 | 40 | 150 | 110 | 85 | 76 | 18 | 3 | 4 | 4-18 | 135 | 115 | 366 | |
50 | 40 | 180 | 135 | 88 | 105 | 26 | 3 | 4 | 4-23 | 50 | 165 | 125 | 100 | 88 | 20 | 3 | 4 | 4-18 | 160 | 125 | 396 | |
65 | 50 | 205 | 160 | 110 | 130 | 28 | 3 | 4 | 8-23 | 65 | 185 | 145 | 120 | 110 | 22 | 3 | 4 | 8-18 | 175 | 160 | 570 | |
80 | 65 | 215 | 170 | 121 | 140 | 30 | 3 | 4 | 8-23 | 80 | 200 | 160 | 135 | 121 | 22 | 3 | 4 | 8-18 | 175 | 160 | 565 | |
100 | 80 | 250 | 200 | 150 | 168 | 32 | 3 | 4.5 | 8-26 | 100 | 235 | 190 | 160 | 150 | 24 | 3 | 4.5 | 8-23 | 190 | 180 | 597 | |
150 | 100 | 345 | 280 | 204 | 240 | 38 | 3 | 4.5 | 8-34 | 150 | 300 | 250 | 218 | 204 | 30 | 3 | 4.5 | 8-26 | 280 | 260 | 738 | |
A47H-100 | 20 | 15 | 130 | 90 | 51 | 68 | 22 | 2 | 4 | 4-18 | 20 | 105 | 75 | 55 | 51 | 16 | 2 | 4 | 4-14 | 100 | 95 | 301 |
25 | 20 | 140 | 100 | 58 | 78 | 24 | 2 | 4 | 4-18 | 25 | 115 | 85 | 65 | 58 | 16 | 2 | 4 | 4-14 | 100 | 95 | 301 | |
32 | 25 | 155 | 110 | 66 | 82 | 24 | 2 | 4 | 4-23 | 32 | 140 | 100 | 78 | 66 | 18 | 2 | 4 | 4-18 | 115 | 105 | 312 | |
40 | 32 | 170 | 125 | 76 | 95 | 26 | 3 | 4 | 4-23 | 40 | 150 | 110 | 85 | 76 | 18 | 3 | 4 | 4-18 | 135 | 115 | 366 | |
50 | 40 | 195 | 145 | 88 | 112 | 28 | 3 | 4 | 4-26 | 50 | 165 | 125 | 100 | 88 | 20 | 3 | 4 | 4-18 | 160 | 125 | 396 | |
65 | 50 | 220 | 170 | 110 | 138 | 32 | 3 | 4 | 8-26 | 65 | 185 | 145 | 120 | 110 | 22 | 3 | 4 | 8-18 | 175 | 160 | 570 | |
80 | 65 | 230 | 180 | 121 | 148 | 34 | 3 | 4 | 8-26 | 80 | 200 | 160 | 135 | 121 | 22 | 3 | 4 | 8-18 | 175 | 160 | 565 | |
100 | 80 | 265 | 210 | 150 | 172 | 38 | 3 | 4.5 | 8-30 | 100 | 235 | 190 | 160 | 150 | 24 | 3 | 4.5 | 8-23 | 190 | 180 | 597 | |
150 | 100 | 355 | 290 | 204 | 250 | 46 | 3 | 4.5 | 12-34 | 150 | 300 | 250 | 218 | 204 | 30 | 3 | 4.5 | 8-26 | 280 | 260 | 738 |
良好的品質、優良的服務 奇高為你創造更多價值!
“奇高閥門”的期望,不斷提升服務質量,精益求精,“真誠的服務”是“奇高”永恒的主題。“奇高”嚴格按照IS09001-2000 質量體系認證要求,質量嚴格把關, 責任到人,確保生產、銷售、服務的健康運行。加強與用戶溝通,竭誠為廣大客戶提供優良產品,貼心服務。特此我廠做出以下承諾:
產品標準:
產品嚴格按照中國GB、HG 標準和美國API等標準設計、制造、驗收。密封面硬度達到國家規定要求,寬度超過國家標準。
售前服務:
產品介紹,技術交流,非標產品設計,疑難解答。
售中服務:
守信合同,及時供貨,隨時保持與客戶聯系。 對特殊或復制的產品,我廠安排技術人員對用戶進行產品使用、故障排除
售后服務:
1、“奇高”牌產品品質期為自出廠起12個月,實行“三包”服務(包退、包換、保修)。
2、產品在使用中我廠定期組織技術、質檢人員進行訪問,征詢用戶對產品質量、 使用狀況、改進意見等方面的反饋, 以便進一步提高產品質量。
3、對用戶投訴質量問題,快速作出反應,售后服務人員在24-36小時(省外48小時)趕赴現場。
4、對售后服務,要求用戶填寫服務后的質量反饋信息表,并作出鑒定意見,以便提高奇高的服務質量。
1、客戶如對產品有特殊要求,須在訂貨合同中提供以下說明:
a、結構長度;
b、連接形式;
c、公稱直徑、全通徑、縮徑、管道尺寸;
d、運行介質及溫度、壓力范圍;
e、試驗、檢驗標準及其他要求
2、本廠可根據客戶特定要求配置各類驅動裝置。
3、如由客戶提供確定的閥門類型和型號時,客戶應正確說明其型號的含義和要求,在供需雙方理解一致的條件下簽訂合同。
4、期貨、訂貨的客戶請先來電函詳細告訴所需的閥門型號、規格、數量以及交貨時間、地點,并按總的30%預定金或全額貨款及時匯入我廠帳戶,其余貨款待發貨前匯入,以便及時安排發貨。
訂單流程:
1、客戶采購清單傳真至021-33872143,或來電咨詢 021-33872141
2、收到客戶采購清單,為客戶提供閥門型號選型與報價(價格清單)。
3、具體商定:交貨期、特殊要求等事宜。
訂貨須知:
1、客戶如對產品有特殊要求,須在訂貨合同中提供以下說明:
|
|||||
|
|||||
2、本廠可根據客戶特定要求配置各類驅動裝置。
|
|||||
3、如由客戶提供確定的閥門類型和型號時,客戶應正確說明其型號的含義和要求,在供需雙方理解一致的條件下簽訂合同。
|
|||||
4、期貨、訂貨的客戶請先來電函詳細告訴所需的閥門型號、規格、數量以及交貨時間、地點,并按總的30%預定金或全額貨款及時匯入我廠賬戶, 其余貨款待發貨前匯入,以便及時安排發貨。
|
售中服務:
守信合同,及時供貨,隨時保持與客戶聯系。
對特殊或復制的產品,我廠安排技術人員對用戶進行產品使用、故障排除
售后服務:
1、“奇高”產品品質期為自出廠起12個月,實行“三包”服務(包退、包換、保修)。
2、產品在使用中我廠定期組織技術、質檢人員進行訪問,征詢用戶對產品質量、使用狀況、改進意見等方面的反饋,
以便進一步提高產品質量。
3、對用戶投訴質量問題,快速作出反應,售后服務人員在24-36小時(省外48小時)趕赴現場。
4、對售后服務,要求用戶填寫服務后的質量反饋信息表,并作出鑒定意見,以便提高“奇高”的服務質量。
聲明 |
|