J41B氨用法蘭截止閥
- 銷售:021-32051999
- 銷售:021-32050777
- 傳真:021-66099555
詳情介紹
- 產品介紹
- 服務承諾
- 訂貨流程
J41B氨用法蘭截止閥的密封面采用巴氏合金、四氟、尼龍等。采用耐低溫優良碳鋼或不銹鋼為閥體,使用壽命長。是安裝在制冷系統的設備或管路上,用以接通和切斷制冷工質流動的通道,在使用過程中遇到溫差幅度變動環境下能自然達到化學處理性能。
主要用途
氨用法蘭截止閥適于溫度-40~+120攝氏度的氨、氨液介質的管路及液化氣管路上作啟閉作用。主要適用于冷凍、制冷、化工、石油、食品、冶煉、液化氣等單位使用。
使用范圍
通經范圍:DN15~DN300
壓力范圍:1.6MPa~4.0MPa
溫度范圍:-40℃~120℃
介質范圍:丙烷、炳烯、甲醇、乙烷、煤氣、液氨、液化天然氣等低溫介質
主要零件材料
零件名稱 | 閥體、閥蓋 | 密封圈 | 填料 | 填料壓蓋 | 閥桿 | 墊片 |
J41B-25C | 鑄鋼 | 巴氏合金 | 聚四氟 | 碳鋼 | 聚四氟 | |
J41B-25Z | 灰鑄鐵 | |||||
J41B-25P | 不銹鋼 | 不銹鋼 | ||||
J41F-25Z | 灰鑄鐵 | 聚四氟乙烯 | 碳鋼 | |||
性能參數
公稱壓力PN(MPA) | 試驗壓力PS(MPa) | 適用介質 | 適用溫度(℃) | |
2.5 | 3.8 | 氨氣、 | 巴氏合金 | 四氟 |
4.0 | 6.4 | |||

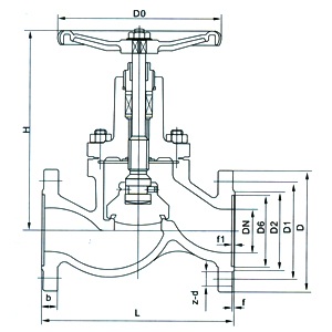
主要外形連接尺寸
公稱通徑 | 尺 寸(mm) | |||||||||||
L | D | D1 | D2 | D6 | b | f | f1 | Z-φd | 關 | 開 | D0 | |
10 | 130 | 90 | 60 | 40 | 35 | 16 | 2 | 4 | 4-φ14 | 165 | 185 | 110 |
15 | 130 | 95 | 65 | 45 | 40 | 16 | 2 | 4 | 4-φ14 | 165 | 185 | 110 |
20 | 150 | 105 | 75 | 55 | 51 | 18 | 2 | 4 | 4-φ14 | 170 | 200 | 120 |
25 | 160 | 115 | 85 | 65 | 58 | 18 | 2 | 4 | 4-φ14 | 197 | 210 | 120 |
32 | 180 | 135 | 100 | 78 | 66 | 20 | 2 | 4 | 4-φ18 | 199 | 213 | 140 |
40 | 200 | 145 | 110 | 85 | 76 | 20 | 3 | 4 | 4-φ18 | 248 | 264 | 160 |
50 | 230 | 160 | 125 | 100 | 88 | 22 | 3 | 4 | 4-φ18 | 265 | 295 | 180 |
65 | 290 | 180 | 145 | 120 | 110 | 24 | 3 | 4 | 8-φ18 | 310 | 349 | 220 |
80 | 310 | 195 | 160 | 135 | 121 | 26 | 3 | 4 | 8-φ18 | 340 | 357 | 240 |
100 | 350 | 230 | 190 | 160 | 150 | 30 | 3 | 4.5 | 8-φ23 | 380 | 413 | 280 |
125 | 400 | 270 | 220 | 188 | 176 | 32 | 3 | 4.5 | 8-φ25 | 430 | 451 | 320 |
150 | 480 | 300 | 250 | 218 | 204 | 32 | 3 | 4.5 | 8-φ25 | 505 | 492 | 360 |
200 | 600 | 360 | 310 | 278 | 260 | 34 | 3 | 4.5 | 12-φ25 | 550 | 806 | 400 |
250 | 650 | 425 | 370 | 335 | 31 | 36 | 3 | 4.5 | 12-φ30 | 730 | 880 | 450 |
300 | 750 | 485 | 430 | 390 | 364 | 40 | 3 | 4.5 | 16-φ30 | - | 995 | 550 |
良好的品質、優良的服務 奇高為你創造更多價值!
“奇高閥門”的期望,不斷提升服務質量,精益求精,“真誠的服務”是“奇高”永恒的主題。“奇高”嚴格按照IS09001-2000 質量體系認證要求,質量嚴格把關, 責任到人,確保生產、銷售、服務的健康運行。加強與用戶溝通,竭誠為廣大客戶提供優良產品,貼心服務。特此我廠做出以下承諾:
產品標準:
產品嚴格按照中國GB、HG 標準和美國API等標準設計、制造、驗收。密封面硬度達到國家規定要求,寬度超過國家標準。
售前服務:
產品介紹,技術交流,非標產品設計,疑難解答。
售中服務:
守信合同,及時供貨,隨時保持與客戶聯系。 對特殊或復制的產品,我廠安排技術人員對用戶進行產品使用、故障排除
售后服務:
1、“奇高”牌產品品質期為自出廠起12個月,實行“三包”服務(包退、包換、保修)。
2、產品在使用中我廠定期組織技術、質檢人員進行訪問,征詢用戶對產品質量、 使用狀況、改進意見等方面的反饋, 以便進一步提高產品質量。
3、對用戶投訴質量問題,快速作出反應,售后服務人員在24-36小時(省外48小時)趕赴現場。
4、對售后服務,要求用戶填寫服務后的質量反饋信息表,并作出鑒定意見,以便提高奇高的服務質量。
1、客戶如對產品有特殊要求,須在訂貨合同中提供以下說明:
a、結構長度;
b、連接形式;
c、公稱直徑、全通徑、縮徑、管道尺寸;
d、運行介質及溫度、壓力范圍;
e、試驗、檢驗標準及其他要求
2、本廠可根據客戶特定要求配置各類驅動裝置。
3、如由客戶提供確定的閥門類型和型號時,客戶應正確說明其型號的含義和要求,在供需雙方理解一致的條件下簽訂合同。
4、期貨、訂貨的客戶請先來電函詳細告訴所需的閥門型號、規格、數量以及交貨時間、地點,并按總的30%預定金或全額貨款及時匯入我廠帳戶,其余貨款待發貨前匯入,以便及時安排發貨。
訂單流程:
1、客戶采購清單傳真至021-33872143,或來電咨詢 021-33872141
2、收到客戶采購清單,為客戶提供閥門型號選型與報價(價格清單)。
3、具體商定:交貨期、特殊要求等事宜。
訂貨須知:
1、客戶如對產品有特殊要求,須在訂貨合同中提供以下說明:
|
|||||
|
|||||
2、本廠可根據客戶特定要求配置各類驅動裝置。
|
|||||
3、如由客戶提供確定的閥門類型和型號時,客戶應正確說明其型號的含義和要求,在供需雙方理解一致的條件下簽訂合同。
|
|||||
4、期貨、訂貨的客戶請先來電函詳細告訴所需的閥門型號、規格、數量以及交貨時間、地點,并按總的30%預定金或全額貨款及時匯入我廠賬戶, 其余貨款待發貨前匯入,以便及時安排發貨。
|
售中服務:
守信合同,及時供貨,隨時保持與客戶聯系。
對特殊或復制的產品,我廠安排技術人員對用戶進行產品使用、故障排除
售后服務:
1、“奇高”產品品質期為自出廠起12個月,實行“三包”服務(包退、包換、保修)。
2、產品在使用中我廠定期組織技術、質檢人員進行訪問,征詢用戶對產品質量、使用狀況、改進意見等方面的反饋,
以便進一步提高產品質量。
3、對用戶投訴質量問題,快速作出反應,售后服務人員在24-36小時(省外48小時)趕赴現場。
4、對售后服務,要求用戶填寫服務后的質量反饋信息表,并作出鑒定意見,以便提高“奇高”的服務質量。
聲明 |
|