電動對夾式軟密封蝶閥-D971X
- 銷售:021-32051999
- 銷售:021-32050777
- 傳真:021-66099555
詳情介紹
- 產品介紹
- 服務承諾
- 訂貨流程
D971X電動對夾式軟密封蝶閥采用雙偏心結構,具有越關越緊的密封功能,密封性能可靠。密封副材料選用不銹鋼和丁腈耐油橡膠配對,使用壽命長。橡膠密封圈即可位于閥體上,也可以位于蝶板上,可適用不同特點的介質,供用戶選擇。蝶板采用框架結構,強度高,過流面積大,流阻小。整體烤漆、能you效地防止銹蝕且只要更換密封閥座密封材料,就可使用于不同介質。D971X電動對夾蝶閥具有雙向密封功能,安裝時不受介質流向的控制,也不受空間位置的影響,可在任何方向安裝。本閥結構Du特,操作靈活,省力,方便。
電動對夾式軟密封蝶閥 結構特點與用途
D971X電動對夾式蝶閥采用對夾板式結構,主要由閥體,閥板,閥軸,閥座及傳動裝置組成,結構簡單緊湊,小巧輕便,運輸,安裝,拆卸方便;90°的啟閉,開關迅速,操作扭矩小,省力輕巧;密封性能好,使用壽命長,可達到零泄露;其流量特性近似于直線,調節性能好。D971X電動對夾蝶閥為橡膠密封,關閉時蝶板和閥座密封性能良好,雙向密封性能優良,扭矩值小,閥門在工作壓力下保持,且蝶板與閥座密封之間的磨擦小。閥門由閥軸驅動閥板,閥板做90°轉動。蝶板啟閉靈活,無卡澀、跳動現象,扭矩小。用途:上海奇高閥門制造有限公司研制的軟密封中線對夾式蝶閥,雙偏心法蘭式蝶閥結構緊湊,90°回轉開關輕松,密封可靠,使用壽命長。被廣泛用于水廠、電廠、鋼廠、造紙、化工、輕紡、食品等給排水、氣體管道上作調節流量和截流介質的作用。
電動對夾式軟密封蝶閥 執行機構
電動執行機構技術參數:電源AC110、220、380V、DC24,公稱通徑DN50~1200mm,輸出力矩50N·M~2000N·M,公稱壓力PN0.6、1.0、1.6Mpa,功能選型:開關型、無源觸點型、閥位信號反饋型、智能調節型。適用溫度≤120℃,適用介質水、氣、油品及弱腐蝕性流體,輸入信號4-20mA,1-5V,0-10V;輸出信號:4-20mA,1-5V,0-10V。使用方便:采用單相電源,接線簡單;采用的球型凸出結構,使觀察更方便;免加油免點檢、防水防銹、任意角度安裝。保護裝置有雙重限位、過熱保護、過載保護。全行程時間5秒、10秒、15秒、30秒、45秒、60秒。及帶手動功能。內置模塊采用新型計算機單片及智能控制軟件直接接收計算機或工業儀表等輸出的標準信號(4-20mA DC /1-5VDC)實現閥門開度的智能控制和定位。
也可選用3810系列或PSQ系列,大口徑閥門一般采用380VAC電動執行器。
電動對夾式軟密封蝶閥 零件材料
零件名稱 | 材料 |
閥體 | 灰鑄鐵、球墨鑄鐵、鑄鋼、不銹鋼、特殊材料 |
蝶板 | 球墨鑄鐵、鑄鋼、不銹鋼、合金鋼 |
閥軸 | 2Cr13、不銹鋼 |
密封圈 | 各種橡膠、聚四氟乙烯 |
填料 | O型圈、柔性石墨 |

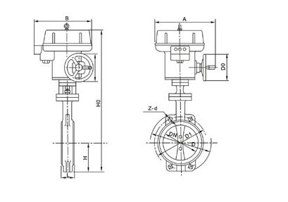
電動對夾式軟密封蝶閥 外形尺寸
DN | L | H | H1 | A | B | 0.6MPa | 1.0MPa | 1.6MPa | |||
DO | n-d | DO | n-d | DO | n-d | ||||||
50 | 43 | 63 | 306 | 180 | 200 | 110 | 4-14 | 125 | 4-18 | 125 | 4-18 |
65 | 46 | 70 | 321 | 180 | 200 | 130 | 4-14 | 145 | 4-18 | 145 | 4-18 |
80 | 46 | 83 | 346 | 180 | 200 | 150 | 4-18 | 160 | 8-18 | 160 | 8-18 |
100 | 52 | 105 | 387 | 180 | 200 | 170 | 4-18 | 180 | 8-18 | 180 | 8-18 |
125 | 56 | 115 | 411 | 180 | 200 | 200 | 8-18 | 210 | 8-18 | 210 | 8-18 |
150 | 56 | 137 | 447 | 270 | 280 | 225 | 8-18 | 240 | 8-22 | 240 | 8-22 |
200 | 60 | 164 | 572 | 270 | 280 | 280 | 8-18 | 295 | 8-22 | 295 | 8-22 |
250 | 68 | 206 | 646 | 270 | 280 | 335 | 12-18 | 350 | 12-22 | 355 | 12-26 |
300 | 78 | 230 | 738 | 380 | 420 | 395 | 12-22 | 400 | 12-22 | 410 | 12-26 |
350 | 78 | 248 | 761 | 380 | 420 | 445 | 12-22 | 460 | 16-22 | 470 | 16-26 |
400 | 102 | 289 | 877 | 450 | 470 | 495 | 16-22 | 515 | 16-26 | 525 | 16-30 |
450 | 114 | 320 | 938 | 480 | 490 | 550 | 16-22 | 565 | 20-26 | 585 | 20-30 |
500 | 127 | 343 | 993 | 480 | 490 | 600 | 20-22 | 620 | 20-26 | 650 | 20-33 |
600 | 154 | 413 | 1131 | 480 | 490 | 705 | 20-26 | 725 | 20-30 | 770 | 20-36 |
700 | 165 | 478 | 1476 | 640 | 660 | 810 | 24-26 | 840 | 24-30 | 840 | 24-36 |
800 | 190 | 525 | 1533 | 640 | 660 | 920 | 24-30 | 950 | 24-33 | 950 | 24-39 |
900 | 203 | 585 | 1655 | 750 | 860 | 1020 | 24-30 | 1050 | 28-33 | 1050 | 38-39 |
1000 | 216 | 640 | 1765 | 850 | 900 | 1120 | 28-30 | 1160 | 28-36 | 1170 | 28-42 |
1200 | 254 | 755 | 1995 | 850 | 900 | 1340 | 32-33 | 1380 | 32-39 | 1390 | 32-48 |
良好的品質、優良的服務 奇高為你創造更多價值!
“奇高閥門”的期望,不斷提升服務質量,精益求精,“真誠的服務”是“奇高”永恒的主題。“奇高”嚴格按照IS09001-2000 質量體系認證要求,質量嚴格把關, 責任到人,確保生產、銷售、服務的健康運行。加強與用戶溝通,竭誠為廣大客戶提供優良產品,貼心服務。特此我廠做出以下承諾:
產品標準:
產品嚴格按照中國GB、HG 標準和美國API等標準設計、制造、驗收。密封面硬度達到國家規定要求,寬度超過國家標準。
售前服務:
產品介紹,技術交流,非標產品設計,疑難解答。
售中服務:
守信合同,及時供貨,隨時保持與客戶聯系。 對特殊或復制的產品,我廠安排技術人員對用戶進行產品使用、故障排除
售后服務:
1、“奇高”牌產品品質期為自出廠起12個月,實行“三包”服務(包退、包換、保修)。
2、產品在使用中我廠定期組織技術、質檢人員進行訪問,征詢用戶對產品質量、 使用狀況、改進意見等方面的反饋, 以便進一步提高產品質量。
3、對用戶投訴質量問題,快速作出反應,售后服務人員在24-36小時(省外48小時)趕赴現場。
4、對售后服務,要求用戶填寫服務后的質量反饋信息表,并作出鑒定意見,以便提高奇高的服務質量。
1、客戶如對產品有特殊要求,須在訂貨合同中提供以下說明:
a、結構長度;
b、連接形式;
c、公稱直徑、全通徑、縮徑、管道尺寸;
d、運行介質及溫度、壓力范圍;
e、試驗、檢驗標準及其他要求
2、本廠可根據客戶特定要求配置各類驅動裝置。
3、如由客戶提供確定的閥門類型和型號時,客戶應正確說明其型號的含義和要求,在供需雙方理解一致的條件下簽訂合同。
4、期貨、訂貨的客戶請先來電函詳細告訴所需的閥門型號、規格、數量以及交貨時間、地點,并按總的30%預定金或全額貨款及時匯入我廠帳戶,其余貨款待發貨前匯入,以便及時安排發貨。
訂單流程:
1、客戶采購清單傳真至021-33872143,或來電咨詢 021-33872141
2、收到客戶采購清單,為客戶提供閥門型號選型與報價(價格清單)。
3、具體商定:交貨期、特殊要求等事宜。
訂貨須知:
1、客戶如對產品有特殊要求,須在訂貨合同中提供以下說明:
|
|||||
|
|||||
2、本廠可根據客戶特定要求配置各類驅動裝置。
|
|||||
3、如由客戶提供確定的閥門類型和型號時,客戶應正確說明其型號的含義和要求,在供需雙方理解一致的條件下簽訂合同。
|
|||||
4、期貨、訂貨的客戶請先來電函詳細告訴所需的閥門型號、規格、數量以及交貨時間、地點,并按總的30%預定金或全額貨款及時匯入我廠賬戶, 其余貨款待發貨前匯入,以便及時安排發貨。
|
售中服務:
守信合同,及時供貨,隨時保持與客戶聯系。
對特殊或復制的產品,我廠安排技術人員對用戶進行產品使用、故障排除
售后服務:
1、“奇高”產品品質期為自出廠起12個月,實行“三包”服務(包退、包換、保修)。
2、產品在使用中我廠定期組織技術、質檢人員進行訪問,征詢用戶對產品質量、使用狀況、改進意見等方面的反饋,
以便進一步提高產品質量。
3、對用戶投訴質量問題,快速作出反應,售后服務人員在24-36小時(省外48小時)趕赴現場。
4、對售后服務,要求用戶填寫服務后的質量反饋信息表,并作出鑒定意見,以便提高“奇高”的服務質量。
聲明 |
|