氣動對夾式軟密封蝶閥-D671X
- 銷售:021-32051999
- 銷售:021-32050777
- 傳真:021-66099555
詳情介紹
- 產品介紹
- 服務承諾
- 訂貨流程
D671X氣動對夾式軟密封蝶閥采用雙偏心結構,具有越關越緊的密封功能,密封性能可靠。密封副材料選用不銹鋼和丁腈耐油橡膠配對,使用壽命長。橡膠密封圈即可位于閥體上,也可以位于蝶板上,可適用不同特點的介質,供用戶選擇。蝶板采用框架結構,強度高,過流面積大,流阻小。整體烤漆、能you效地防止銹蝕且只要更換密封閥座密封材料,就可使用于不同介質。D671X氣動對夾式蝶閥具有雙向密封功能,安裝時不受介質流向的控制,也不受空間位置的影響,可在任何方向安裝。本閥結構Du特,操作靈活,省力,方便。
氣動對夾式軟密封蝶閥 結構特點
D671X氣動對夾式蝶閥采用對夾板式結構,主要由閥體,閥板,閥軸,閥座及傳動裝置組成,結構簡單緊湊,小巧輕便,運輸,安裝,拆卸方便;90的啟閉,開關迅速,操作扭矩小,省力輕巧;密封性能好,使用壽命長,可達到零泄露;其流量特性近似于直線,調節性能好。閥門為橡膠密封,關閉時蝶板和閥座密封性能良好,雙向密封性能優良,扭矩值小,閥門在工作壓力下保持,且蝶板與閥座密封之間的磨擦小。D671X氣動對夾式蝶閥由閥軸驅動閥板,閥板做90°轉動。蝶板啟閉靈活,無卡澀、跳動現象,扭矩小。
氣動對夾式軟密封蝶閥 產品用途
軟密封中線對夾式蝶閥,雙偏心法蘭式蝶閥結構緊湊,90°回轉開關輕松,密封可靠,使用壽命長,D671X氣動對夾式蝶閥廣泛用于水廠、電廠、鋼廠、造紙、化工、輕紡、食品等給排水、氣體管道上作調節流量和截流介質的作用。
氣動對夾式軟密封蝶閥 執行機構
D671X氣動對夾式蝶閥采用新型系列GT型氣動執行器,有雙作用式和單作用式(彈簧復位),齒輪傳動,安全可靠;大口徑閥門采用系列AW型氣動執行器拔叉式傳動,結構合理,輸出扭矩大。
1、切斷型附件:單電控電磁閥、雙電控電磁閥、限位開關回訊器
2、調節型附件:電氣定位器、氣動定位器、電氣轉換器
3、氣源處理附件:空氣過濾調壓閥、氣源處理三聯件
4.采用電-氣閥門定位器,以電信號和壓縮空氣為動力,接受控制系統輸入的0-10mA DC或4-20mA DC電流信號,由調節器將壓縮空氣,轉換成氣源壓力信號輸入輸出,改變閥板的旋轉角度(0-90°任意角度),具有較好的調節控制流量等參數
5、采用電磁換向閥、閥位回訊器,以AC220V或DC24V電源電壓和壓縮空氣作動力,實現對流體介質的快速二位切斷控制。氣動執行機構采用活塞式氣缸及曲臂轉換結構,輸出力矩大,體積精小,采用全密封防水設計防護等級高
6、氣缸體采用鏡面氣缸,無油潤滑,磨擦系數小、耐腐蝕、具有的耐用性及可靠性。所有傳動軸承均采用邊界自潤滑軸承無油潤滑,確保傳動軸不摩損
氣動對夾式軟密封蝶閥 零件材料
零件名稱 | 材料 |
閥體 | 灰鑄鐵、球墨鑄鐵、鑄鋼、不銹鋼及特殊材料 |
蝶板 | 球墨鑄鐵、鑄鋼、不銹鋼及合金鋼 |
閥軸 | 2Cr13、不銹鋼 |
密封圈 | 丁腈耐油橡膠、聚四氟乙烯 |
填料 | O型圈、柔性石墨 |

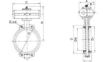
氣動對夾式軟密封蝶閥 外形尺寸
公稱通徑DN(mm) | 結構長度(mm) | 外形尺寸(mm) | 連接尺寸(標準值) | |||||||||
0.6MPa | 1.0MPa | 1.6MPa | ||||||||||
毫米 | 英寸 | L | H1 | H0 | A | B | D0 | n-d | D0 | n-d | D0 | n-d |
50 | 2" | 43 | 63 | 315 | 180 | 65 | 110 | 4-14 | 125 | 4-18 | 125 | 4-18 |
65 | 2 1/2" | 46 | 70 | 330 | 180 | 65 | 130 | 4-14 | 145 | 4-18 | 145 | 4-18 |
80 | 3" | 46 | 83 | 390 | 245 | 72 | 150 | 4-18 | 160 | 8-18 | 160 | 8-18 |
100 | 4" | 52 | 105 | 431 | 240 | 72 | 170 | 4-18 | 180 | 8-18 | 180 | 8-18 |
125 | 5" | 56 | 115 | 455 | 240 | 72 | 200 | 8-18 | 210 | 8-18 | 210 | 8-18 |
150 | 6" | 56 | 137 | 626 | 350 | 93 | 225 | 8-18 | 240 | 8-22 | 240 | 8-22 |
200 | 8" | 60 | 164 | 720 | 350 | 93 | 280 | 8-18 | 295 | 8-22 | 295 | 12-22 |
250 | 10 | 68 | 206 | 800 | 550 | 350 | 335 | 12-18 | 350 | 12-22 | 355 | 12-26 |
300 | 12 | 78 | 230 | 860 | 600 | 350 | 395 | 12-22 | 400 | 12-22 | 410 | 12-26 |
350 | 14 | 78 | 248 | 883 | 600 | 350 | 445 | 12-22 | 460 | 16-22 | 470 | 16-26 |
400 | 16 | 102 | 89 | 972 | 600 | 350 | 495 | 16-22 | 515 | 16-26 | 525 | 16-30 |
450 | 18 | 114 | 320 | 1043 | 750 | 380 | 550 | 16-22 | 565 | 20-26 | 585 | 20-30 |
500 | 20 | 127 | 343 | 1098 | 750 | 380 | 600 | 20-22 | 620 | 20-26 | 650 | 20-33 |
600 | 24 | 154 | 413 | 1236 | 750 | 380 | 705 | 20-26 | 725 | 20-30 | 770 | 20-36 |
700 | 28 | 165 | 478 | 1431 | 750 | 380 | 810 | 24-26 | 840 | 24-30 | 840 | 24-36 |
800 | 32 | 190 | 25 | 1488 | 750 | 380 | 920 | 24-30 | 950 | 24-33 | 950 | 24-39 |
900 | 36 | 203 | 620 | 1615 | 1250 | 380 | 1020 | 24-30 | 1050 | 28-33 | 1050 | 28-39 |
1000 | 40 | 216 | 725 | 1795 | 1500 | 580 | 1120 | 28-30 | 1160 | 28-36 | 1170 | 28-42 |
1200 | 48 | 254 | 780 | 1976 | 1500 | 580 | 1340 | 32-33 | 1380 | 32-39 | 1390 | 32-48 |
良好的品質、優良的服務 奇高為你創造更多價值!
“奇高閥門”的期望,不斷提升服務質量,精益求精,“真誠的服務”是“奇高”永恒的主題。“奇高”嚴格按照IS09001-2000 質量體系認證要求,質量嚴格把關, 責任到人,確保生產、銷售、服務的健康運行。加強與用戶溝通,竭誠為廣大客戶提供優良產品,貼心服務。特此我廠做出以下承諾:
產品標準:
產品嚴格按照中國GB、HG 標準和美國API等標準設計、制造、驗收。密封面硬度達到國家規定要求,寬度超過國家標準。
售前服務:
產品介紹,技術交流,非標產品設計,疑難解答。
售中服務:
守信合同,及時供貨,隨時保持與客戶聯系。 對特殊或復制的產品,我廠安排技術人員對用戶進行產品使用、故障排除
售后服務:
1、“奇高”牌產品品質期為自出廠起12個月,實行“三包”服務(包退、包換、保修)。
2、產品在使用中我廠定期組織技術、質檢人員進行訪問,征詢用戶對產品質量、 使用狀況、改進意見等方面的反饋, 以便進一步提高產品質量。
3、對用戶投訴質量問題,快速作出反應,售后服務人員在24-36小時(省外48小時)趕赴現場。
4、對售后服務,要求用戶填寫服務后的質量反饋信息表,并作出鑒定意見,以便提高奇高的服務質量。
1、客戶如對產品有特殊要求,須在訂貨合同中提供以下說明:
a、結構長度;
b、連接形式;
c、公稱直徑、全通徑、縮徑、管道尺寸;
d、運行介質及溫度、壓力范圍;
e、試驗、檢驗標準及其他要求
2、本廠可根據客戶特定要求配置各類驅動裝置。
3、如由客戶提供確定的閥門類型和型號時,客戶應正確說明其型號的含義和要求,在供需雙方理解一致的條件下簽訂合同。
4、期貨、訂貨的客戶請先來電函詳細告訴所需的閥門型號、規格、數量以及交貨時間、地點,并按總的30%預定金或全額貨款及時匯入我廠帳戶,其余貨款待發貨前匯入,以便及時安排發貨。
訂單流程:
1、客戶采購清單傳真至021-33872143,或來電咨詢 021-33872141
2、收到客戶采購清單,為客戶提供閥門型號選型與報價(價格清單)。
3、具體商定:交貨期、特殊要求等事宜。
訂貨須知:
1、客戶如對產品有特殊要求,須在訂貨合同中提供以下說明:
|
|||||
|
|||||
2、本廠可根據客戶特定要求配置各類驅動裝置。
|
|||||
3、如由客戶提供確定的閥門類型和型號時,客戶應正確說明其型號的含義和要求,在供需雙方理解一致的條件下簽訂合同。
|
|||||
4、期貨、訂貨的客戶請先來電函詳細告訴所需的閥門型號、規格、數量以及交貨時間、地點,并按總的30%預定金或全額貨款及時匯入我廠賬戶, 其余貨款待發貨前匯入,以便及時安排發貨。
|
售中服務:
守信合同,及時供貨,隨時保持與客戶聯系。
對特殊或復制的產品,我廠安排技術人員對用戶進行產品使用、故障排除
售后服務:
1、“奇高”產品品質期為自出廠起12個月,實行“三包”服務(包退、包換、保修)。
2、產品在使用中我廠定期組織技術、質檢人員進行訪問,征詢用戶對產品質量、使用狀況、改進意見等方面的反饋,
以便進一步提高產品質量。
3、對用戶投訴質量問題,快速作出反應,售后服務人員在24-36小時(省外48小時)趕赴現場。
4、對售后服務,要求用戶填寫服務后的質量反饋信息表,并作出鑒定意見,以便提高“奇高”的服務質量。
聲明 |
|