美標蝶閥
- 銷售:021-32051999
- 銷售:021-32050777
- 傳真:021-66099555
詳情介紹
- 產品介紹
- 服務承諾
- 訂貨流程
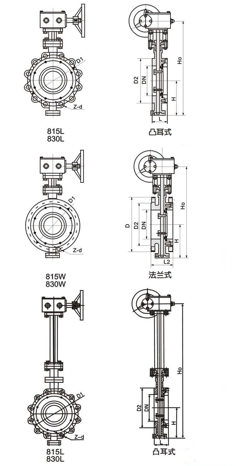
815、830系列美標蝶閥的主要結構特征為對夾式和法蘭式三偏心結構,而815、830L系列蝶閥的主要結構特征為閥體周邊帶凸而且設計成帶螺孔單法蘭結構,815、830系列蝶閥廣泛應用于石油、化工及工業環保水處理、高層建筑,給排水等管道上。其特點為:
由于采用的是三偏心結構,密閉性能可靠,確保開啟時蝶板不接觸密封座,清理了密封座不均勻負載,延長了使用壽命,確保可靠的密封性能,具有耐高溫、耐磨損、耐腐蝕等優點。
美標蝶閥 型號編制

![]() | ![]() | ![]() |
美標蝶閥 采用標準
設計標準 :API609-83
法蘭連接尺寸:ANSI B 16.5
結構長度 :ANSI B 16.10-1992
壓力試驗:API 598-82
美標蝶閥 主要技術參數
公稱通徑 | DN(mm) | 830W | 830L |
2"~36" | 2"~36" | ||
公稱壓力 | PN(Mpa) | 150Lb | 300Lb |
試驗壓力 | 強度試驗 | 3.0 | 7.5 |
密封試驗 | 2.2 | 5.5 | |
適用介質 | 水、蒸汽、油品、海水等 | ||
適用溫度 | -29℃~425℃ | ||
美標蝶閥 主要零件材質
零件名稱 | 材料 |
閥體 | WCB、304、316、316SS、CF8M |
蝶板 | WCB、304、316、316SS、CF8M |
閥桿 | 316、2Cr13、1Cr18Ni9Ti |
密封圈 | 316、氟塑料 |
填料 | 柔性石墨、氟塑料 |

美標蝶閥 主要外形尺寸
美標815W系
公稱通徑 | 結構長度 | 外形尺寸 | 連接尺寸 | 參考重量 | |||||||
L | L1 | H | H0 | D | D1 | D2 | M | Z-d | |||
2" | 50 | 43 | 108 | 110 | 345 | 152 | 120.5 | 92 | M18 | 4-19 | 9 |
3" | 80 | 49 | 114 | 125 | 380 | 190 | 152.5 | 127 | M18 | 4-19 | 11 |
4" | 100 | 56 | 127 | 145 | 415 | 229 | 190.5 | 157 | M18 | 8-19 | 13 |
5" | 125 | 64 | 140 | 165 | 455 | 254 | 216 | 186 | M20 | 8-22 | 16 |
6" | 150 | 70 | 140 | 175 | 545 | 279 | 241.5 | 216 | M20 | 8-22 | 26 |
8" | 200 | 71 | 150 | 210 | 645 | 343 | 298.5 | 270 | M20 | 8-22 | 34 |
10" | 250 | 76 | 160 | 250 | 695 | 406 | 362 | 324 | M24 | 12-25 | 51 |
12" | 300 | 86 | 178 | 285 | 830 | 483 | 432 | 381 | M24 | 12-25 | 72 |
14" | 350 | 92 | 190 | 320 | 900 | 533 | 476 | 413 | M27 | 12-29 | 106 |
16" | 400 | 102 | 216 | 355 | 980 | 597 | 540 | 470 | M27 | 16-29 | 133 |
18" | 450 | 114 | 222 | 380 | 1030 | 635 | 578 | 533 | M30 | 16-32 | 176 |
20" | 500 | 127 | 229 | 415 | 1110 | 699 | 635 | 584 | M30 | 20-32 | 190 |
24" | 600 | 154 | 267 | 475 | 1305 | 813 | 749.5 | 692 | M33 | 20-35 | 394 |
30" | 750 | 165 | 292 | 580 | 1525 | 985 | 914 | 857 | M33 | 28-35 | 476 |
32" | 800 | 190 | 318 | 630 | 1585 | 1060 | 978 | 914 | M39 | 28-41 | 618 |
36" | 900 | 203 | 330 | 680 | 1765 | 1168 | 1085 | 1022 | M39 | 32-41 | 762 |
美標815L系
公稱通徑 | 結構長度 | 外形尺寸 | 連接尺寸 | 參考重量 | |||||
L | H | H0 | D1 | D2 | M | Z-d | |||
6" | 150 | 70 | 175 | 545 | 241.5 | 216 | M20 | 8-22 | 28 |
8" | 200 | 71 | 210 | 615 | 298.5 | 270 | M20 | 8-22 | 36 |
10" | 250 | 76 | 250 | 695 | 362 | 324 | M24 | 12-25 | 53 |
12" | 300 | 86 | 285 | 830 | 432 | 381 | M24 | 12-25 | 74 |
14" | 350 | 92 | 320 | 900 | 476 | 413 | M27 | 12-29 | 110 |
16" | 400 | 102 | 355 | 980 | 540 | 470 | M27 | 16-29 | 138 |
18" | 450 | 114 | 380 | 1030 | 578 | 533 | M30 | 16-32 | 180 |
20" | 500 | 127 | 415 | 1110 | 635 | 584 | M30 | 20-32 | 196 |
24" | 600 | 154 | 475 | 1305 | 749.5 | 692 | M33 | 20-35 | 400 |
30" | 750 | 165 | 580 | 1525 | 914 | 857 | M33 | 28-35 | 482 |
36" | 900 | 203 | 680 | 1765 | 1085 | 1022 | M39 | 32-41 | 488 |
美標830W系
公稱通徑 | 結構長度 | 外形尺寸 | 連接尺寸(標準值) | 參考重量(kg) | ||||||||
L | L1 | H | H0 | D | D1 | D2 | M | Z-d | ||||
2" | 50 | 43 | 108 | 110 | 345 | 165 | 127 | 92 | M18 | 8-19 | 9 | 20 |
3" | 80 | 49 | 114 | 125 | 380 | 210 | 168 | 127 | M20 | 8-22 | 12 | 29 |
4" | 100 | 56 | 127 | 145 | 415 | 254 | 200 | 157 | M20 | 8-22 | 13 | 35 |
5" | 125 | 64 | 140 | 165 | 455 | 279 | 235 | 186 | M20 | 8-22 | 18 | 40 |
6" | 150 | 70 | 140 | 175 | 545 | 318 | 270 | 216 | M20 | 12-22 | 28 | 81 |
8" | 200 | 71 | 150 | 210 | 645 | 381 | 330 | 270 | M24 | 12-26 | 37 | 94 |
10" | 250 | 76 | 160 | 250 | 695 | 445 | 387 | 324 | M27 | 16-29 | 56 | 158 |
12" | 300 | 86 | 178 | 285 | 830 | 521 | 451 | 381 | M30 | 16-32 | 79 | 183 |
14" | 350 | 92 | 190 | 320 | 900 | 584 | 514 | 413 | M30 | 20-32 | 116 | 239 |
16" | 400 | 102 | 216 | 355 | 980 | 648 | 571 | 470 | M33 | 20-35 | 146 | 302 |
18" | 450 | 114 | 222 | 380 | 1030 | 711 | 628 | 533 | M33 | 24-35 | 193 | 346 |
20" | 500 | 127 | 229 | 415 | 1110 | 775 | 686 | 584 | M33 | 24-35 | 209 | 434 |
24" | 600 | 154 | 267 | 475 | 1305 | 914 | 813 | 692 | M39 | 24-41 | 433 | 638 |
30" | 750 | 165 | 292 | 580 | 1525 | 1092 | 997 | 857 | M45 | 28-49 | 523 | 788 |
36" | 900 | 203 | 330 | 680 | 1765 | 1270 | 1168 | 1022 | M50 | 32-53 | 838 | 1146 |
美標830L系
公稱通徑 | 結構長度 | 外形尺寸 | 連接尺寸 | 參考重量(kg) | |||||
L | H | H0 | D1 | D2 | M | Z-d | |||
6" | 150 | 76 | 175 | 545 | 270 | 216 | M20 | 12-22 | 29 |
8" | 200 | 89 | 210 | 615 | 330 | 270 | M24 | 12-26 | 38 |
10" | 250 | 114 | 250 | 695 | 387 | 324 | M27 | 16-29 | 58 |
12" | 300 | 114 | 285 | 830 | 451 | 381 | M30 | 16-32 | 81 |
14" | 350 | 127 | 320 | 900 | 514 | 413 | M30 | 20-32 | 119 |
16" | 400 | 140 | 355 | 980 | 591 | 470 | M33 | 24-35 | 149 |
18" | 450 | 152 | 380 | 1030 | 628 | 533 | M33 | 24-35 | 198 |
20" | 500 | 152 | 415 | 1110 | 686 | 584 | M33 | 24-35 | 215 |
24" | 600 | 178 | 475 | 1305 | 813 | 692 | M39 | 24-41 | 436 |
30" | 750 | 229 | 580 | 1525 | 997 | 857 | M45 | 28-49 | 528 |
36" | 900 | 241 | 680 | 1765 | 1168 | 1022 | M50 | 32-52 | 843 |
良好的品質、優良的服務 奇高為你創造更多價值!
“奇高閥門”的期望,不斷提升服務質量,精益求精,“真誠的服務”是“奇高”永恒的主題。“奇高”嚴格按照IS09001-2000 質量體系認證要求,質量嚴格把關, 責任到人,確保生產、銷售、服務的健康運行。加強與用戶溝通,竭誠為廣大客戶提供優良產品,貼心服務。特此我廠做出以下承諾:
產品標準:
產品嚴格按照中國GB、HG 標準和美國API等標準設計、制造、驗收。密封面硬度達到國家規定要求,寬度超過國家標準。
售前服務:
產品介紹,技術交流,非標產品設計,疑難解答。
售中服務:
守信合同,及時供貨,隨時保持與客戶聯系。 對特殊或復制的產品,我廠安排技術人員對用戶進行產品使用、故障排除
售后服務:
1、“奇高”牌產品品質期為自出廠起12個月,實行“三包”服務(包退、包換、保修)。
2、產品在使用中我廠定期組織技術、質檢人員進行訪問,征詢用戶對產品質量、 使用狀況、改進意見等方面的反饋, 以便進一步提高產品質量。
3、對用戶投訴質量問題,快速作出反應,售后服務人員在24-36小時(省外48小時)趕赴現場。
4、對售后服務,要求用戶填寫服務后的質量反饋信息表,并作出鑒定意見,以便提高奇高的服務質量。
1、客戶如對產品有特殊要求,須在訂貨合同中提供以下說明:
a、結構長度;
b、連接形式;
c、公稱直徑、全通徑、縮徑、管道尺寸;
d、運行介質及溫度、壓力范圍;
e、試驗、檢驗標準及其他要求
2、本廠可根據客戶特定要求配置各類驅動裝置。
3、如由客戶提供確定的閥門類型和型號時,客戶應正確說明其型號的含義和要求,在供需雙方理解一致的條件下簽訂合同。
4、期貨、訂貨的客戶請先來電函詳細告訴所需的閥門型號、規格、數量以及交貨時間、地點,并按總的30%預定金或全額貨款及時匯入我廠帳戶,其余貨款待發貨前匯入,以便及時安排發貨。
訂單流程:
1、客戶采購清單傳真至021-33872143,或來電咨詢 021-33872141
2、收到客戶采購清單,為客戶提供閥門型號選型與報價(價格清單)。
3、具體商定:交貨期、特殊要求等事宜。
訂貨須知:
1、客戶如對產品有特殊要求,須在訂貨合同中提供以下說明:
|
|||||
|
|||||
2、本廠可根據客戶特定要求配置各類驅動裝置。
|
|||||
3、如由客戶提供確定的閥門類型和型號時,客戶應正確說明其型號的含義和要求,在供需雙方理解一致的條件下簽訂合同。
|
|||||
4、期貨、訂貨的客戶請先來電函詳細告訴所需的閥門型號、規格、數量以及交貨時間、地點,并按總的30%預定金或全額貨款及時匯入我廠賬戶, 其余貨款待發貨前匯入,以便及時安排發貨。
|
售中服務:
守信合同,及時供貨,隨時保持與客戶聯系。
對特殊或復制的產品,我廠安排技術人員對用戶進行產品使用、故障排除
售后服務:
1、“奇高”產品品質期為自出廠起12個月,實行“三包”服務(包退、包換、保修)。
2、產品在使用中我廠定期組織技術、質檢人員進行訪問,征詢用戶對產品質量、使用狀況、改進意見等方面的反饋,
以便進一步提高產品質量。
3、對用戶投訴質量問題,快速作出反應,售后服務人員在24-36小時(省外48小時)趕赴現場。
4、對售后服務,要求用戶填寫服務后的質量反饋信息表,并作出鑒定意見,以便提高“奇高”的服務質量。
聲明 |
|


