氣動襯氟蝶閥
- 銷售:021-32051999
- 銷售:021-32050777
- 傳真:021-66099555
詳情介紹
- 產品介紹
- 服務承諾
- 訂貨流程
氣動襯氟蝶閥(亦稱耐腐蝕氣動蝶閥)是由氣動活塞式執行器及四氟密封蝶閥組成。適用于溫度≤200℃,有腐蝕性或潔凈度有一定要求工況,氣動襯氟蝶閥是在過流部件、閥體、蝶板、閥桿上采用襯里技術襯里較厚的高分子材料,防腐蝕性能優良,可適用于任何濃度的酸、堿、鹽及氧化劑、還原劑、有機溶劑等介質,氣動襯氟蝶閥是化工、石油、醫藥、食品、鋼鐵冶煉、造紙、水電等系統的氣體、液體、半流體的管路和容器上作截流和調節設備使用的理想產品。全襯聚四氟乙烯(F4)和聚全氟乙丙烯(F46)氟塑料襯里閥,具有耐腐蝕、無泄漏、壽命長等優點。耐腐蝕氣動蝶閥適用于濃硫酸、鹽酸、硝酸、氫氟酸、王水、各種有機酸、強酸、氧化性介質或高溫烯硫酸、高溫濃醋酸、酸堿交替及多種有機溶劑和其它強腐蝕性介質。
氣動襯氟蝶閥 主要特點
1、體積小、重量輕、操作輕巧、便于安裝、維修。
2、密封性能優良可靠、零泄漏,使用壽命長。
3、流量特性趨于直線,調節性能優。
4、結構簡單,開關迅速,90°旋轉啟閉。
5、可代替閘閥、截止閥、旋塞閥、膠管閥及隔膜閥等各種閥門的使用。
6、可根據用戶要求配置氣動、電動裝置,滿足遙控和程控的需要。
7、更換零件襯里材質可適用于各種介質。
氣動襯氟蝶閥 主要技術參數
閥體
閥體形式 | 直通鑄造蝶閥 |
公稱通徑 | DN50~1000mm |
公稱壓力 | PN1.0、1.6 MPa |
法蘭標準 | JIS B220、JB/T79、ANSI B16.5-1981、GB/T9113、HG20594-97、HG20618-97等 |
連接形式 | 法蘭式、對夾式 |
閥蓋形式 | 一體式 |
壓蓋型式 | 壓蓋壓緊式 |
密封填料 | V型聚四氟乙烯填料、柔性石墨填料 |
閥內件
閥板形式 | 垂直板式(蝶形) |
流量特性 | 線性 |
執行機構
執行器型號 | GT系列、ST系列、AT系列、AW系列單雙作用氣動執行器 |
供氣壓力 | 400~700KPa |
氣源接口 | G1/4"、G1/8"、G3/8"、G1/2" |
環境溫度 | -30~+70℃ |
作用形式 | 單作用執行機構:氣關式(B)--失氣時閥位開(FO);氣開式(K)--失氣時閥位關(FC) |
可配附件 | 定位器、電磁閥、空氣過濾減壓器、保位閥、行程開關、閥位傳送器、手輪機構等 |
注:如需詳細執行器參數,請進入氣動執行器頁面進行查閱。
氣動襯氟蝶閥 主要零件材料
閥體、底座 | 球墨鑄鋼、鑄鋼、不銹鋼、全襯氟 |
蝶板 | 灰鑄鐵、球墨鑄鋼、鑄鋼、不銹鋼及特殊材料、全襯氟 |
密封圈 | 各種橡膠、聚四氟 |
閥桿 | 2Cr13、不銹鋼、全襯氟 |
填料 | V型聚四氟乙烯填料、柔性石墨填料 |
氣動襯氟蝶閥 主要性能指標
回差 | 帶定位器:小于全行程的2% |
基本誤差 | 帶定位器:小于全行程的±2% |
泄露量l / h | 符合ANSI B16.104 IV級標準 |
可調范圍R | 50:1 |
氣動襯氟蝶閥 主要性能規范
公稱通徑DN(mm) | 50-1800 | |||
公稱壓力 | PN(MPa) | 0.6 | 1.0 | 1.6 |
試驗壓力 | 強度試驗 | 0.9 | 1.5 | 2.4 |
密封試驗 | 0.66 | 1.1 | 1.76 | |
低壓氣密試驗 | 0.6 | 0.6 | 0.6 | |
適用介質 | 空氣、水、污水、蒸氣、煤氣、油品等 | |||

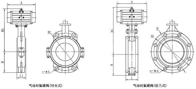
氣動襯氟蝶閥 主要外形尺寸
公稱通徑 DN(mm) | 50 | 65 | 80 | 100 | 125 | 150 | 200 | 250 | 300 | 350 | 400 | 450 | 500 | 600 | 700 | 800 | 900 | 1000 | |
L | 90 | 90 | 100 | 115 | 130 | 140 | 150 | 250 | 270 | 290 | 310 | 330 | 350 | 390 | 430 | 470 | 500 | 550 | |
L1 | 43 | 46 | 49 | 56 | 64 | 70 | 71 | 76 | 83 | 92 | 102 | 113 | 127 | 154 | 165 | 190 | 203 | 216 | |
H | 法蘭式 | 63 | 70 | 83 | 105 | 115 | 137 | 164 | 206 | 230 | 248 | 289 | 320 | 343 | 413 | 478 | 525 | 585 | 640 |
對夾式 | 63 | 70 | 83 | 105 | 115 | 137 | 164 | 206 | 230 | 248 | 289 | 320 | 343 | 413 | 478 | 525 | 585 | 640 | |
n-φd | 4-18 | 4-18 | 8-18 | 8-18 | 8-18 | 8-22 | 12-22 | 12-26 | 12-26 | 16-26 | 16-30 | 20-30 | 20-33 | 20-36 | 24-36 | 24-39 | 28-39 | 28-42 | |
H1 | 根據所配執行機構而定 | ||||||||||||||||||
A | 根據閥門所需力矩而定,配置機型不同,外形尺寸也不相同 | ||||||||||||||||||
D | 165 | 185 | 200 | 220 | 250 | 285 | 340 | 405 | 460 | 520 | 580 | 640 | 715 | 840 | 910 | 1025 | 1125 | 1255 | |
D1 | 125 | 145 | 160 | 180 | 210 | 240 | 295 | 355 | 410 | 470 | 525 | 585 | 650 | 770 | 840 | 950 | 1050 | 1170 | |
良好的品質、優良的服務 奇高為你創造更多價值!
“奇高閥門”的期望,不斷提升服務質量,精益求精,“真誠的服務”是“奇高”永恒的主題。“奇高”嚴格按照IS09001-2000 質量體系認證要求,質量嚴格把關, 責任到人,確保生產、銷售、服務的健康運行。加強與用戶溝通,竭誠為廣大客戶提供優良產品,貼心服務。特此我廠做出以下承諾:
產品標準:
產品嚴格按照中國GB、HG 標準和美國API等標準設計、制造、驗收。密封面硬度達到國家規定要求,寬度超過國家標準。
售前服務:
產品介紹,技術交流,非標產品設計,疑難解答。
售中服務:
守信合同,及時供貨,隨時保持與客戶聯系。 對特殊或復制的產品,我廠安排技術人員對用戶進行產品使用、故障排除
售后服務:
1、“奇高”牌產品品質期為自出廠起12個月,實行“三包”服務(包退、包換、保修)。
2、產品在使用中我廠定期組織技術、質檢人員進行訪問,征詢用戶對產品質量、 使用狀況、改進意見等方面的反饋, 以便進一步提高產品質量。
3、對用戶投訴質量問題,快速作出反應,售后服務人員在24-36小時(省外48小時)趕赴現場。
4、對售后服務,要求用戶填寫服務后的質量反饋信息表,并作出鑒定意見,以便提高奇高的服務質量。
1、客戶如對產品有特殊要求,須在訂貨合同中提供以下說明:
a、結構長度;
b、連接形式;
c、公稱直徑、全通徑、縮徑、管道尺寸;
d、運行介質及溫度、壓力范圍;
e、試驗、檢驗標準及其他要求
2、本廠可根據客戶特定要求配置各類驅動裝置。
3、如由客戶提供確定的閥門類型和型號時,客戶應正確說明其型號的含義和要求,在供需雙方理解一致的條件下簽訂合同。
4、期貨、訂貨的客戶請先來電函詳細告訴所需的閥門型號、規格、數量以及交貨時間、地點,并按總的30%預定金或全額貨款及時匯入我廠帳戶,其余貨款待發貨前匯入,以便及時安排發貨。
訂單流程:
1、客戶采購清單傳真至021-33872143,或來電咨詢 021-33872141
2、收到客戶采購清單,為客戶提供閥門型號選型與報價(價格清單)。
3、具體商定:交貨期、特殊要求等事宜。
訂貨須知:
1、客戶如對產品有特殊要求,須在訂貨合同中提供以下說明:
|
|||||
|
|||||
2、本廠可根據客戶特定要求配置各類驅動裝置。
|
|||||
3、如由客戶提供確定的閥門類型和型號時,客戶應正確說明其型號的含義和要求,在供需雙方理解一致的條件下簽訂合同。
|
|||||
4、期貨、訂貨的客戶請先來電函詳細告訴所需的閥門型號、規格、數量以及交貨時間、地點,并按總的30%預定金或全額貨款及時匯入我廠賬戶, 其余貨款待發貨前匯入,以便及時安排發貨。
|
售中服務:
守信合同,及時供貨,隨時保持與客戶聯系。
對特殊或復制的產品,我廠安排技術人員對用戶進行產品使用、故障排除
售后服務:
1、“奇高”產品品質期為自出廠起12個月,實行“三包”服務(包退、包換、保修)。
2、產品在使用中我廠定期組織技術、質檢人員進行訪問,征詢用戶對產品質量、使用狀況、改進意見等方面的反饋,
以便進一步提高產品質量。
3、對用戶投訴質量問題,快速作出反應,售后服務人員在24-36小時(省外48小時)趕赴現場。
4、對售后服務,要求用戶填寫服務后的質量反饋信息表,并作出鑒定意見,以便提高“奇高”的服務質量。
聲明 |
|