液控緩閉止回蝶閥-DX7K41X
- 銷售:021-32051999
- 銷售:021-32050777
- 傳真:021-66099555
詳情介紹
- 產品介紹
- 服務承諾
- 訂貨流程
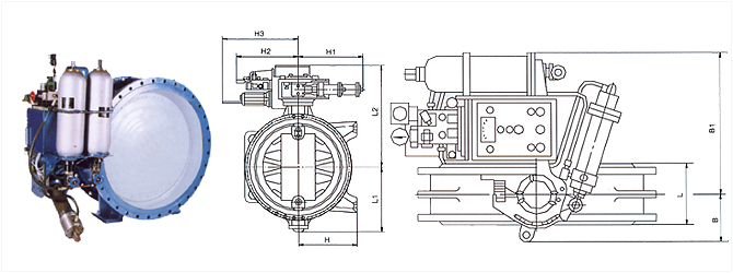
DX7K41X型蓄能罐式液控緩閉止回蝶閥是目前用于水輪機進口處的關鍵控制設備,具有良好的密封、調節性能,該閥是奇高閥門近年研制開發的新產品,通過對多種國內外同類產品進行認真考察與研究,創造了具特色的以三偏心為基本結構型式的液控蝶閥,經實地應用,操作系統運行良好,本蝶閥除了具有三偏心結構優點外還具備以下明顯優勢與特色。
主要特點
1、本閥的驅動系統為中同壓兩級驅動裝置,該裝置體積小而蝶閥啟閉速度的調控范圍大,初開啟段為高壓小流量控制,使蝶閥開啟瞬間狀態平緩,無劇烈波動,完全清理系統內的水錘隱患,然后將切入較快的轉動角速度,液壓缸將以設定的理想推力與速度將蝶板平穩打開。
2、本蝶閥的安裝位置通常為橫向臥式,蝶板偏離位置的合理擺放可使蝶板充分利用管道內的動水力矩驅動蝶板的順利關閉,本閥的安裝位置將體現動水力矩與重錘力矩的共同作用效果,隨著關閉轉角的逐步完成,動水力矩將趨于減小,重錘力矩將使關閉瞬間變的緩慢而平穩,從而嚴格杜絕了水錘現象的發生,零泄漏的密封效果將在這一合理嚴密的控制系統中得以可靠實現。
3、本閥的電液控制系統具有遠程控制功能,蝶板任意速度的開啟與關閉以及任意位置的鎖定均可通過設計合理的各類液壓控制閥輕松實現。
4、本閥配有手動油泵,在系統因故而斷電時仍可正常關閉或打開蝶閥。
液控緩閉止回閥蝶閥 型號編制

液控緩閉止回蝶閥 主要性能參數
型號 | 公稱壓力(MPa) | 實驗壓力(MPa) | 適用溫度(℃) | 適用介質 | ||||
殼體實驗 | 密封試驗 | |||||||
DX7K41H-6C | 0.6 | 0.9 | 0.66 | ≤65 | 水 | |||
DX7K41H-10C | 1.0 | 1.5 | 1.1 | |||||
項目 | 公稱通徑 | |||||||
DN≤1000 | DN≥1400 | |||||||
開閥時間(S) | 10~60可調 | 15~60可調 | ||||||
關閥時間(S) | 快關 | 1.2~25可調 | 2~30可調 | |||||
慢關 | 2~60可調 | 4~60可調 | ||||||
關閥角度(°) | 快關 | 60°±10° | ||||||
慢關 | 25°±10° | |||||||
液控緩閉止回蝶閥 主要零件材料
名稱 | 閥體 | 蝶板 | 蝶板密封圈 | 閥桿 | 閥座 | 填料 |
DX7K41H-6/10 Z | 灰鑄鐵 | 球墨鑄鐵 | 丁腈橡膠 | 鉻不銹鋼 | 銅合金 | O型橡膠圈 |
DX7K41H-6/10 C | 碳鋼 | 碳鋼 | 不銹鋼 | 鉻不銹鋼 | 不銹鋼 | 柔性石墨 |

液控緩閉止回蝶閥 主要外形尺寸及重量
公稱通徑(mm) | 主要外形尺寸(mm) | 重量(kg) | |||||
L | L1 | E | E1 | H | H1 | ||
500 | 350 | 800 | 1442 | 920 | 420 | 1100 | 1500 |
600 | 390 | 800 | 1634 | 1200 | 440 | 1500 | 1800 |
700 | 430 | 800 | 1728 | 1200 | 500 | 1200 | 2000 |
800 | 470 | 800 | 2000 | 1200 | 510 | 1210 | 2500 |
900 | 510 | 800 | 2130 | 1200 | 570 | 1270 | 3000 |
1000 | 550 | 800 | 2410 | 1300 | 620 | 1620 | 3000 |
1200 | 630 | 800 | 2600 | 1355 | 710 | 1710 | 4200 |
1400 | 710 | 800 | 2825 | 1355 | 820 | 1820 | 4900 |
1600 | 790 | 890 | 3141 | 1355 | 920 | 1920 | 5900 |
1800 | 870 | 890 | 3423 | 1760 | 1035 | 2035 | 6300 |
2000 | 950 | 890 | 3623 | 1860 | 1150 | 2140 | 6170 |
良好的品質、優良的服務 奇高為你創造更多價值!
“奇高閥門”的期望,不斷提升服務質量,精益求精,“真誠的服務”是“奇高”永恒的主題。“奇高”嚴格按照IS09001-2000 質量體系認證要求,質量嚴格把關, 責任到人,確保生產、銷售、服務的健康運行。加強與用戶溝通,竭誠為廣大客戶提供優良產品,貼心服務。特此我廠做出以下承諾:
產品標準:
產品嚴格按照中國GB、HG 標準和美國API等標準設計、制造、驗收。密封面硬度達到國家規定要求,寬度超過國家標準。
售前服務:
產品介紹,技術交流,非標產品設計,疑難解答。
售中服務:
守信合同,及時供貨,隨時保持與客戶聯系。 對特殊或復制的產品,我廠安排技術人員對用戶進行產品使用、故障排除
售后服務:
1、“奇高”牌產品品質期為自出廠起12個月,實行“三包”服務(包退、包換、保修)。
2、產品在使用中我廠定期組織技術、質檢人員進行訪問,征詢用戶對產品質量、 使用狀況、改進意見等方面的反饋, 以便進一步提高產品質量。
3、對用戶投訴質量問題,快速作出反應,售后服務人員在24-36小時(省外48小時)趕赴現場。
4、對售后服務,要求用戶填寫服務后的質量反饋信息表,并作出鑒定意見,以便提高奇高的服務質量。
1、客戶如對產品有特殊要求,須在訂貨合同中提供以下說明:
a、結構長度;
b、連接形式;
c、公稱直徑、全通徑、縮徑、管道尺寸;
d、運行介質及溫度、壓力范圍;
e、試驗、檢驗標準及其他要求
2、本廠可根據客戶特定要求配置各類驅動裝置。
3、如由客戶提供確定的閥門類型和型號時,客戶應正確說明其型號的含義和要求,在供需雙方理解一致的條件下簽訂合同。
4、期貨、訂貨的客戶請先來電函詳細告訴所需的閥門型號、規格、數量以及交貨時間、地點,并按總的30%預定金或全額貨款及時匯入我廠帳戶,其余貨款待發貨前匯入,以便及時安排發貨。
訂單流程:
1、客戶采購清單傳真至021-33872143,或來電咨詢 021-33872141
2、收到客戶采購清單,為客戶提供閥門型號選型與報價(價格清單)。
3、具體商定:交貨期、特殊要求等事宜。
訂貨須知:
1、客戶如對產品有特殊要求,須在訂貨合同中提供以下說明:
|
|||||
|
|||||
2、本廠可根據客戶特定要求配置各類驅動裝置。
|
|||||
3、如由客戶提供確定的閥門類型和型號時,客戶應正確說明其型號的含義和要求,在供需雙方理解一致的條件下簽訂合同。
|
|||||
4、期貨、訂貨的客戶請先來電函詳細告訴所需的閥門型號、規格、數量以及交貨時間、地點,并按總的30%預定金或全額貨款及時匯入我廠賬戶, 其余貨款待發貨前匯入,以便及時安排發貨。
|
售中服務:
守信合同,及時供貨,隨時保持與客戶聯系。
對特殊或復制的產品,我廠安排技術人員對用戶進行產品使用、故障排除
售后服務:
1、“奇高”產品品質期為自出廠起12個月,實行“三包”服務(包退、包換、保修)。
2、產品在使用中我廠定期組織技術、質檢人員進行訪問,征詢用戶對產品質量、使用狀況、改進意見等方面的反饋,
以便進一步提高產品質量。
3、對用戶投訴質量問題,快速作出反應,售后服務人員在24-36小時(省外48小時)趕赴現場。
4、對售后服務,要求用戶填寫服務后的質量反饋信息表,并作出鑒定意見,以便提高“奇高”的服務質量。
聲明 |
|