QB2雙口排氣閥
- 銷售:021-32051999
- 銷售:021-32050777
- 傳真:021-66099555
詳情介紹
- 產品介紹
- 服務承諾
- 訂貨流程
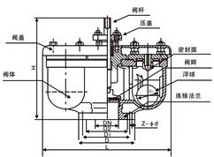
QB2雙口排氣閥體形大,重量重,排氣量小,該排氣閥在80年代末為理想產品,問世以來一直還續用。排氣閥是管道必配設備,安裝在管道高點或閉氣地方,來排除管內氣體,來疏通管道,使管道運轉正常,如停電,停泵管內會出現負壓力會引起管道振動或破裂,該排氣閥隨時吸氣,確保管路。

雙口排氣閥 主要外形尺寸
型號 | 公稱通徑 | 主要尺寸(mm) | ||||||
D | D1 | D2 | L | Z-φd | 介質 | 閥體材料 | ||
QB2-10 | 40 | 145 | 110 | 85 | 430 | 4-φ18 | 水 | 鑄鐵 |
QB2-10 | 50 | 160 | 125 | 100 | 430 | 4-φ18 | 水 | 鑄鐵 |
QB2-10 | 75 | 195 | 160 | 135 | 470 | 4-φ18 | 水 | 鑄鐵 |
QB2-10 | 100 | 215 | 180 | 155 | 500 | 4-φ18 | 水 | 鑄鐵 |
QB2-10 | 150 | 280 | 240 | 210 | 540 | 8-φ20 | 水 | 鑄鐵 |
QB2-10 | 200 | 335 | 295 | 265 | 700 | 8-φ20 | 水 | 鑄鐵 |
雙口排氣閥 每小時排氣量表
規格 | 50 | 75 | 100 | 150 | 200 |
立方米/小時 | 4-173 | 85-352 | 14-597 | 22-904 | 27-1145 |
雙口排氣閥注意事項
(1)注:D>350mm管道請選單口排氣閥(QBI-10)。
(2)安裝雙口排氣閥,底下一定要安裝一只保護閥門、球閥(Q41F-16),以免檢修停水。
(3)如需方要求排氣閥法蘭大小尺寸如變動,請在合同上注明法蘭連接尺寸。
良好的品質、優良的服務 奇高為你創造更多價值!
“奇高閥門”的期望,不斷提升服務質量,精益求精,“真誠的服務”是“奇高”永恒的主題。“奇高”嚴格按照IS09001-2000 質量體系認證要求,質量嚴格把關, 責任到人,確保生產、銷售、服務的健康運行。加強與用戶溝通,竭誠為廣大客戶提供優良產品,貼心服務。特此我廠做出以下承諾:
產品標準:
產品嚴格按照中國GB、HG 標準和美國API等標準設計、制造、驗收。密封面硬度達到國家規定要求,寬度超過國家標準。
售前服務:
產品介紹,技術交流,非標產品設計,疑難解答。
售中服務:
守信合同,及時供貨,隨時保持與客戶聯系。 對特殊或復制的產品,我廠安排技術人員對用戶進行產品使用、故障排除
售后服務:
1、“奇高”牌產品品質期為自出廠起12個月,實行“三包”服務(包退、包換、保修)。
2、產品在使用中我廠定期組織技術、質檢人員進行訪問,征詢用戶對產品質量、 使用狀況、改進意見等方面的反饋, 以便進一步提高產品質量。
3、對用戶投訴質量問題,快速作出反應,售后服務人員在24-36小時(省外48小時)趕赴現場。
4、對售后服務,要求用戶填寫服務后的質量反饋信息表,并作出鑒定意見,以便提高奇高的服務質量。
1、客戶如對產品有特殊要求,須在訂貨合同中提供以下說明:
a、結構長度;
b、連接形式;
c、公稱直徑、全通徑、縮徑、管道尺寸;
d、運行介質及溫度、壓力范圍;
e、試驗、檢驗標準及其他要求
2、本廠可根據客戶特定要求配置各類驅動裝置。
3、如由客戶提供確定的閥門類型和型號時,客戶應正確說明其型號的含義和要求,在供需雙方理解一致的條件下簽訂合同。
4、期貨、訂貨的客戶請先來電函詳細告訴所需的閥門型號、規格、數量以及交貨時間、地點,并按總的30%預定金或全額貨款及時匯入我廠帳戶,其余貨款待發貨前匯入,以便及時安排發貨。
訂單流程:
1、客戶采購清單傳真至021-33872143,或來電咨詢 021-33872141
2、收到客戶采購清單,為客戶提供閥門型號選型與報價(價格清單)。
3、具體商定:交貨期、特殊要求等事宜。
訂貨須知:
1、客戶如對產品有特殊要求,須在訂貨合同中提供以下說明:
|
|||||
|
|||||
2、本廠可根據客戶特定要求配置各類驅動裝置。
|
|||||
3、如由客戶提供確定的閥門類型和型號時,客戶應正確說明其型號的含義和要求,在供需雙方理解一致的條件下簽訂合同。
|
|||||
4、期貨、訂貨的客戶請先來電函詳細告訴所需的閥門型號、規格、數量以及交貨時間、地點,并按總的30%預定金或全額貨款及時匯入我廠賬戶, 其余貨款待發貨前匯入,以便及時安排發貨。
|
售中服務:
守信合同,及時供貨,隨時保持與客戶聯系。
對特殊或復制的產品,我廠安排技術人員對用戶進行產品使用、故障排除
售后服務:
1、“奇高”產品品質期為自出廠起12個月,實行“三包”服務(包退、包換、保修)。
2、產品在使用中我廠定期組織技術、質檢人員進行訪問,征詢用戶對產品質量、使用狀況、改進意見等方面的反饋,
以便進一步提高產品質量。
3、對用戶投訴質量問題,快速作出反應,售后服務人員在24-36小時(省外48小時)趕赴現場。
4、對售后服務,要求用戶填寫服務后的質量反饋信息表,并作出鑒定意見,以便提高“奇高”的服務質量。
聲明 |
|