QJ41M高溫球閥
- 銷售:021-32051999
- 銷售:021-32050777
- 傳真:021-66099555
詳情介紹
- 產品介紹
- 服務承諾
- 訂貨流程
QJ41M高溫球閥/QJ641M氣動高溫球閥/QJ941M電動高溫球閥是采用新型密封材料為閥座,經同類產品聚四氟乙烯做密封的球閥,使用壽命提高了3-5倍。具有性能穩定、密封可靠、磨擦力小、開關輕便、耐高溫、耐磨、耐油、耐腐蝕、使用壽命長等優點,高溫球閥與截止閥、柱塞閥、排污閥,結構長度相符,擴大了球閥使用范圍,廣泛用于石油、化工、橡膠、造紙、制藥等行業,可替代截止閥、柱塞閥、快速排污閥。適用介質:水、蒸汽、導熱油等酸類,使用溫度:≤350℃。
高溫球閥中的球體、密封圈采用了特殊的加工工藝和新密封材料,使球體表面粗糙度和圓度達到標準要求,從而提高了密封性能和使用壽命、耐高溫的能力。順時板動手柄帶動閥桿驅動球體旋轉,使介質順利通過。
![]() | ![]() |
| 氣動高溫球閥 | 電動高溫球閥 |
高溫球閥 性能參數
型號 | 公稱壓力 | 強度試驗壓力 | 密封試驗壓 | 適用溫度 | 適用介質 |
QJ41M/F-16P | 1.6 | 2.4 | 1.8 | -28~+300 (M/F) | 導熱油、水、蒸汽、氣體、油品、硝酸類腐蝕性介質、醋酸類腐蝕性介質 |
QJ41M/F-16P | 2.5 | 3.8 | 2.8 | -28~+350 (PPN) |
高溫球閥 主要零件材料
序號 | 零部件名稱 | 材料 |
1 | 閥體 | 球墨鑄鐵、碳素鋼、鑄不銹鋼 |
2 | 密封圈 | (M/F)高強度耐磨碳結石墨≤300℃ (PPN)對蒞聚苯、溫度≤350℃ |
3 | 球 | 不銹鋼 |
4 | 填料 | 聚四氟乙烯 |
5 | 填料壓蓋 | QT450-10球墨鑄鐵 |
6 | 閥桿 | 碳素鋼、鉻不銹鋼 |
7 | 手柄 | 碳鋼 |

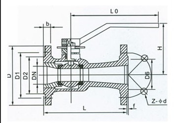
高溫球閥 主要外形尺寸
型號 | 規格 | 尺寸 | ||||||
L | D | D 1 | D 2 | z-φd | H | b | ||
QJ41M/F-16 QJ641M/F-16 QJ941M/F-16 | 15 | 130 | 95 | 65 | 45 | 4-14 | 85 | 14 |
20 | 150 | 105 | 75 | 55 | 4-14 | 95 | 16 | |
25 | 160 | 115 | 85 | 65 | 4-14 | 103 | 16 | |
32 | 180 | 135 | 100 | 78 | 4-18 | 105 | 18 | |
40 | 200 | 145 | 110 | 85 | 4-18 | 120 | 18 | |
50 | 230 | 160 | 125 | 100 | 4-18 | 195 | 20 | |
65 | 290 | 180 | 145 | 120 | 4-18 | 195 | 20 | |
80 | 310 | 195 | 160 | 135 | 8-18 | 215 | 22 | |
100 | 350 | 215 | 180 | 155 | 8-18 | 253 | 24 | |
良好的品質、優良的服務 奇高為你創造更多價值!
“奇高閥門”的期望,不斷提升服務質量,精益求精,“真誠的服務”是“奇高”永恒的主題。“奇高”嚴格按照IS09001-2000 質量體系認證要求,質量嚴格把關, 責任到人,確保生產、銷售、服務的健康運行。加強與用戶溝通,竭誠為廣大客戶提供優良產品,貼心服務。特此我廠做出以下承諾:
產品標準:
產品嚴格按照中國GB、HG 標準和美國API等標準設計、制造、驗收。密封面硬度達到國家規定要求,寬度超過國家標準。
售前服務:
產品介紹,技術交流,非標產品設計,疑難解答。
售中服務:
守信合同,及時供貨,隨時保持與客戶聯系。 對特殊或復制的產品,我廠安排技術人員對用戶進行產品使用、故障排除
售后服務:
1、“奇高”牌產品品質期為自出廠起12個月,實行“三包”服務(包退、包換、保修)。
2、產品在使用中我廠定期組織技術、質檢人員進行訪問,征詢用戶對產品質量、 使用狀況、改進意見等方面的反饋, 以便進一步提高產品質量。
3、對用戶投訴質量問題,快速作出反應,售后服務人員在24-36小時(省外48小時)趕赴現場。
4、對售后服務,要求用戶填寫服務后的質量反饋信息表,并作出鑒定意見,以便提高奇高的服務質量。
1、客戶如對產品有特殊要求,須在訂貨合同中提供以下說明:
a、結構長度;
b、連接形式;
c、公稱直徑、全通徑、縮徑、管道尺寸;
d、運行介質及溫度、壓力范圍;
e、試驗、檢驗標準及其他要求
2、本廠可根據客戶特定要求配置各類驅動裝置。
3、如由客戶提供確定的閥門類型和型號時,客戶應正確說明其型號的含義和要求,在供需雙方理解一致的條件下簽訂合同。
4、期貨、訂貨的客戶請先來電函詳細告訴所需的閥門型號、規格、數量以及交貨時間、地點,并按總的30%預定金或全額貨款及時匯入我廠帳戶,其余貨款待發貨前匯入,以便及時安排發貨。
訂單流程:
1、客戶采購清單傳真至021-33872143,或來電咨詢 021-33872141
2、收到客戶采購清單,為客戶提供閥門型號選型與報價(價格清單)。
3、具體商定:交貨期、特殊要求等事宜。
訂貨須知:
1、客戶如對產品有特殊要求,須在訂貨合同中提供以下說明:
|
|||||
|
|||||
2、本廠可根據客戶特定要求配置各類驅動裝置。
|
|||||
3、如由客戶提供確定的閥門類型和型號時,客戶應正確說明其型號的含義和要求,在供需雙方理解一致的條件下簽訂合同。
|
|||||
4、期貨、訂貨的客戶請先來電函詳細告訴所需的閥門型號、規格、數量以及交貨時間、地點,并按總的30%預定金或全額貨款及時匯入我廠賬戶, 其余貨款待發貨前匯入,以便及時安排發貨。
|
售中服務:
守信合同,及時供貨,隨時保持與客戶聯系。
對特殊或復制的產品,我廠安排技術人員對用戶進行產品使用、故障排除
售后服務:
1、“奇高”產品品質期為自出廠起12個月,實行“三包”服務(包退、包換、保修)。
2、產品在使用中我廠定期組織技術、質檢人員進行訪問,征詢用戶對產品質量、使用狀況、改進意見等方面的反饋,
以便進一步提高產品質量。
3、對用戶投訴質量問題,快速作出反應,售后服務人員在24-36小時(省外48小時)趕赴現場。
4、對售后服務,要求用戶填寫服務后的質量反饋信息表,并作出鑒定意見,以便提高“奇高”的服務質量。
聲明 |
|

